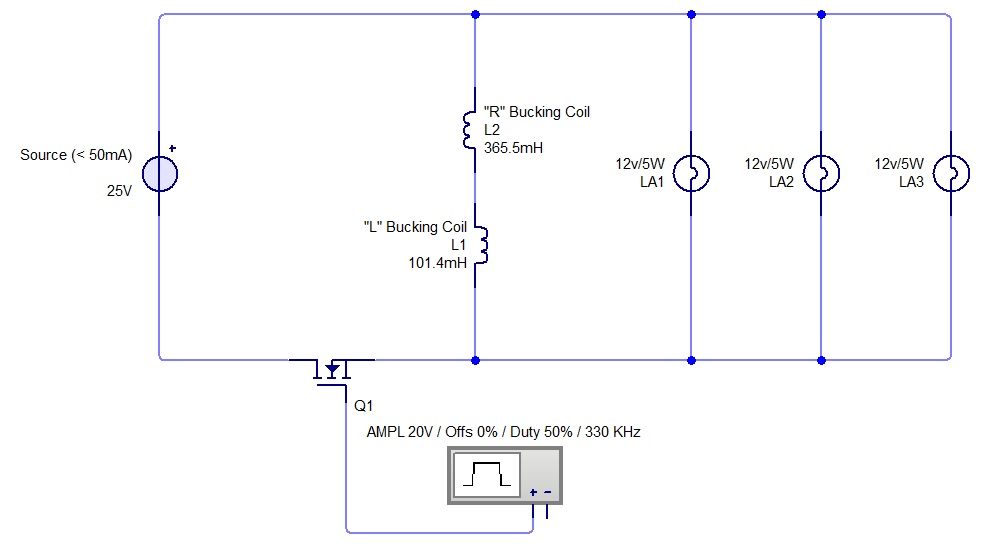
I am playing around with the "Romanian ZPM (Zero Point Module)" circuit from member "fighter" (from BeyondUnity.org forum) see his thread (still on AboveUnity.com) here: https://www.aboveunity.com/thread/romanian-zpm-zero-point-module/See his diagram here:  My both coils are (also) on an AMCC-200 core (Metglas) but are 100 and 200 turns of 0.8 mm magnet wire with a DC resistance of resp. 0.9 and 1.5 Ohm. Measuring the both coils separately for inductance (when both are on the core) using my Agilent U1733C LCR meter, shows at 10kHz an inductance of about 280mH (200 turns) and 90mH (100 turns), see pictures:  But when measuring at 100kHz, on the 200 turns coil, the meter switches over to capacitance (like 41pF) or when fixing the meter to inductance i get negative inductance values (like -53mH) on that meter. Similar when measuring the 100 turns coil. So i used my nanoVNA to plot the inductance of the 200 turn coil and got the following plots (for inductance versus frequency, see upper graph):  At 10kHz (see marker 1) it corresponds with the value measured by my LCR meter (280mH), but then it fluctuates rather strongly and ends up negative to 500kHz as shown. I was wondering why and found a convincing answer i think here: https://www.eevblog.com/forum/beginners/explain-inductance-vs-freq/msg1586398/#msg1586398 where it says: In ideal inductor, the L is constant. If you make an air core inductor this will hold true. If you put a magnetic material in the mix, things get complicated. Now your core material will dominate the inductance. Depending on its properties, you will see different L at different frequencies. To complicate things even more, the total impedance of your inductor is modified by ESR of the wire, losses in the magnetic material and capacitances of the coil. When adding a series capacitance plot to the measurement (see lower graph for capacitance versus frequency in the above plots) we see a flip from negative capacitance to positive capacitance around 40kHz, meaning we flip from how the coil behaves itself from inductance to capacitance. With other words, the coil start acting like a capacitor. I will further build up the circuit and try to make some measurements........ Regards Itsu
|